Skip To Main Content
Account
Settings
Logout
placeholder
Account
Settings
Logout
Filter:
All Files
Submit Search
MRL‑7
Service Center
Setup
2.36.00
Firmware
1.54.00
Previous
Next
Filter:
All Files
Submit Search
Download manual
You are here:
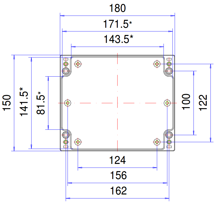
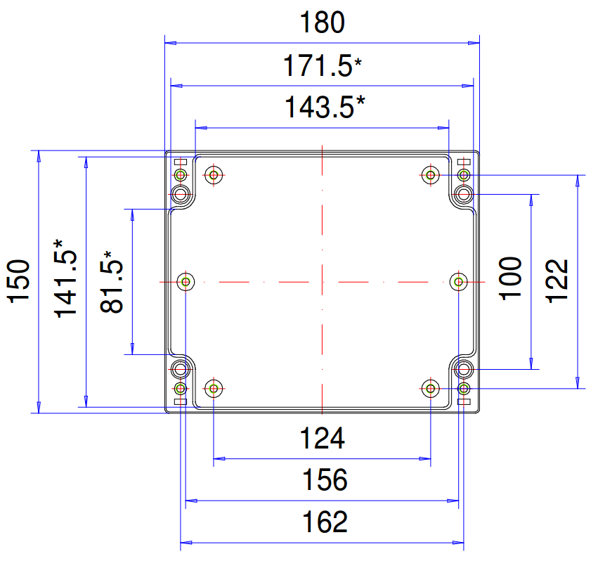
Dimensions
MRL‑7
Dimensions
MRL‑7
B